Neue Artikel
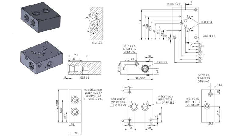
CETOP GRUNDPLATTE NG10-1-RV
| Technische Informationen | |
|
Lieferant: |
Türkei |
|
Rückgabe oder Umtausch: |
14 Tage |
|
Garantie: |
6 Monate |
|
Typ: |
NG10-1-RV |
|
Material: |
Aluminium |
|
Druck: |
max. 250 bar |
|
Durchfluss: |
max. 80 l/min |
Beschreibung
Die CETOP NG10-1 Unterplatte ist eine standardisierte Montageplatte, die für die Installation von Hydraulikventilen der Größe NG10 (CETOP 5) gemäß der Norm ISO 4401-05 ausgelegt ist. Sie ermöglicht eine einfache, schnelle und zuverlässige Verbindung des Ventils mit dem Hydrauliksystem.
Die CETOP NG10-RV Unterplatte ist eine verbesserte Version der Standard-Unterplatte NG10 (CETOP 5 / ISO 4401-05) mit einem integrierten Überdruckventil. Sie dient dazu, das Hydrauliksystem vor übermäßigem Druck zu schützen und gewährleistet einen sicheren und zuverlässigen Betrieb.
Das integrierte Überdruckventil erlaubt eine Druckbegrenzung direkt an der Unterplatte, wodurch der Bedarf an zusätzlichen Komponenten reduziert, die Installation vereinfacht und ein kompakteres Systemdesign ermöglicht wird.
Maße









