Nye produkter
VINKELGEARKASSE TIL CIRCULAR VENSTRE
Produktkode:
10722
OEM:
9990000006434
Moms sats
22 %
Pris uden moms:
949,41 DKK
Pris med moms:
1.158,28 DKK
Ref:
15
Returnering eller ombytning:
14 dage
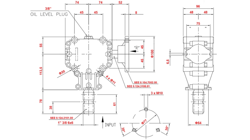
rotation af reduceren:
venstre
producentkode:
9.124.872.60
Load:
15 HK (11 kW)
udgangs aksel:
aksel 25mm med flange til remskive
type af reducer:
L-25J (vinkeloverførsel)
smøremiddel:
det er nødvendigt at hælde 0,4 liter SAE 90 olie i reduceren.
indgangsakslen:
kardan (1”3/8 – 6 tænder)








