Uudet tuotteet
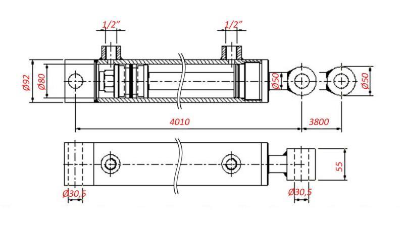
HYDRAULISYLINTERI HINAUSAUTOON - HOLE 80/50-3800
HUOM: SUUREMPI TUOTE (mahdollinen muutos toimituskuluissa, tässä tapauksessa ilmoitamme sinulle puhelimitse)
Tuotekoodi:
100781
OEM:
9990000091546
Verokanta
22 %
Hinta ilman ALV:tä:
678,69 EUR
Hinta ALV:n kanssa:
828,00 EUR
Ref:
12
Kuvaus:
Hydraulisylinteri hinauskäyttöön, tarkoitettu koko alustan tai perävaunualustojen ja vastaavien järjestelmien siirtämiseen.
Toimittaja:
Italia
sylinterin supistumisvoima (250 bar):
7,65 tonnia
Palautus tai vaihto:
14 päivää
sylinterin laajentumisvoima (250 bar):
12,56 tonnia
Tuotteen paino:
115 kg
Takuu:
2 vuotta
maksimi nopeus:
0.5 m/s
sylinterin laajentumisvoima (180 bar):
9,04 tonnia
sylinterin supistumisvoima (180 bar):
5,51 tonnia
max. paine:
250 bar









