Novi proizvodi
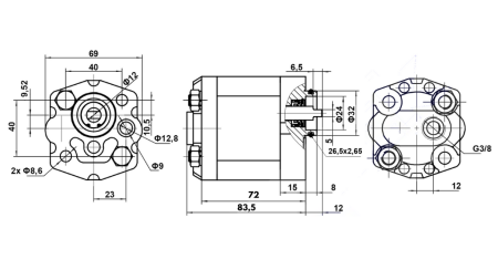
HIDRAULIČNA PUMPA 10C2,1x302 2,1 CC DESNA
Šifra:
11794
OEM:
9990000026845
Stopa poreza
22 %
Cijena bez PDV:
53,28 EUR
Cijena sa PDV:
65,00 EUR
Ref:
14
|
Dobavljač: |
Turska |
|
Povrat ili zamjena: |
14 dana |
|
Jamstvo: |
6 mjeseci |
|
Težina: |
1 kg |
|
Protok: |
2,1 L/min |
|
Max. tlak: |
270 bar |
|
Max. okretaja: |
3500 rpm |
|
Smjer vrtnje: |
desno |
Dobavljač:
Turska
Smjer rotacije:
desno
Vračanje ili mjenjanje:
nije moguće
Obrtaji:
maks. 3500 rpm
Težina proizvoda:
1 kg
Garancija:
6 mjeseci
Max. pritisak:
270 bar
Protok:
2,1 L/min









