Novi proizvodi
HIDRAULIČNI AGREGAT ZA STAJSKO ODĐUBRIVANJE
Šifra:
20576
OEM:
9990000048670
Stopa poreza
22 %
Cijena bez PDV:
676,23 EUR
Cijena sa PDV:
825,00 EUR
Ref:
10
Opis:
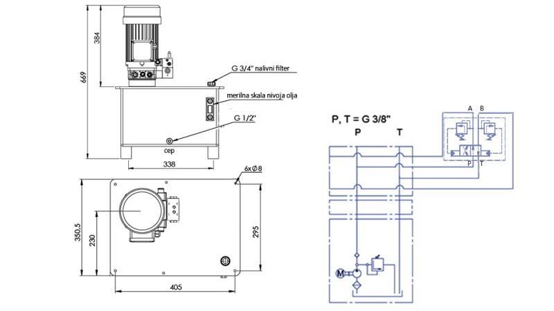
Hidraulična jedinica snage za transporter stajnog goveda je samostalna jedinica koja generira hidraulični tlak koristeći električni motor za pokretanje transportera stajnog goveda.
Snaga motora:
4kW
Protok pumpe:
8 cc
Protok agregata:
12 lit/min
Volumen rezervoara:
25 litara
Max. radni pritisak:
120 bar
Ventil:
RHA - kratki ventil
Vračanje ili mjenjanje:
nije moguče
Obrtaji:
1500 okretaja u minuti
Garancija:
6 mjeseci
Napon:
380V






