Novi proizvodi
HIDRAULIČNA PUMPA 00C1X032 GR.0 - 1cc - DESNA
Šifra:
14749
OEM:
9990000178780
Stopa poreza
22 %
Cijena bez PDV:
61,48 EUR
Cijena sa PDV:
75,00 EUR
Ref:
5
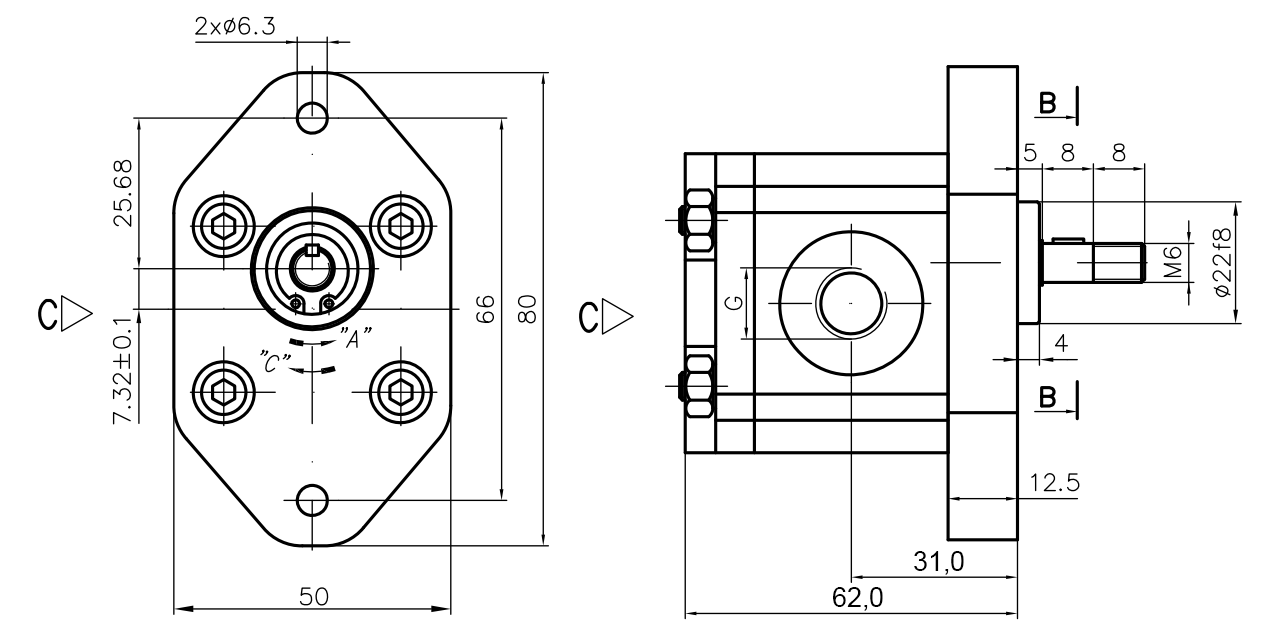
| Tehničke informacije | |
| Dobavljač: | Turkiye |
| Povrat ili zamjena: | Nije moguće |
| Jamstvo: | 6 mjeseci |
| Model: | 00C1X032 |
| Smjer rotacije: | Desno (C) |
| Istisnina: | 1 cm3/okret |
| Veličina: | GR.0 |
| Brzina: | max. 3500 okr/min |
| Navoj priključka: | 1/4" (ulaz i izlaz) |
| Nominalni tlak: | 200 bar |
| Protok: | 1,4 l/min pri 1500 okr/min i 3,2 l/min pri max. okr/min |
Opis
Hidraulične pumpe su ključna komponenta svakog hidrauličkog sustava, jer pretvaraju mehaničku energiju u hidrauličku energiju. Koriste se u brojnim primjenama kao što su poljoprivredne mašine, građevinska oprema, industrijski uređaji i transportni sustavi.
U našoj ponudi pronaći ćete visokokvalitetne zupčaste hidraulične pumpe različitih veličina (GR), istisnina i konfiguracija, koje osiguravaju pouzdan rad, dug vijek trajanja i jednostavnu ugradnju. One pružaju stabilan protok ulja, visoku učinkovitost i minimalne gubitke, doprinoseći optimalnom radu cijelog sustava.
Dimenzije










