Novi proizvodi
RUČNI HIDRAULIČNI VENTIL MONOBLOK 1xP120
Opšti opis:
Ručni ili mehanski hidraulični ventili ili razvodniki Р40 su pogodni za distribuciju i upravljanje radne struje između hidraulične pumpe te korisniki (cilindri, hidromotori…).
Hidraulični ventili se upotrebljavaju za različite svrhe, u poljuprivredi, industriji, građevinarstvu, itd. za upravljanje:
- jednoradnih cilindra
- dvoradnih cilindra
- hidromotora
- plivajuče funkcije (za plug)
- joysticka (gore-dole, lijevo-desno)
Sastavljeni su u bloku od 1 do 7 ručica.
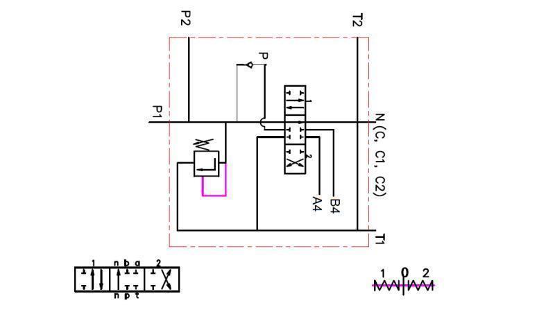
Funkcioniranje:
Svi hidraulični ventili ili razvodniki su opremljeni sa sigurnostnim ventilom. U neutralni poziciji (ručica u srednji) ulje kruži kroz ventil. Kod pomicanja ručice u jednu ili drugu stranu, hidraulični ventil uzrokuje kretanje cilindra ili okretanje hidromotora u jednu ili drugu smjer. Nakon puštanja ručice se samostalno vrati u neutralnu poziciju, hidromotor ili cilindar se zaustavi u trenutni poziciji, tako ulje ponovno kruži kroz ventil. Moguča je upotreba tako zvanog »closed center« elementa, što kod ventila promjeni, da u neutralni poziciji ulje ne cirkulira kroz ventil ili takav ventil više nije protočan. Kod upotrebe ili vezanja ostalih ventila potrebno je upotrijebiti članak »carry over«, koji omogučava oskrbljavanje ulja i za druge ventile.
Pri ventila sa vretenima za plivajuču funkciju, baš ta omogučava cilindru slobodni protok ulja, što uzrukovano znači da se cilindar slobodno kreče (npr. sjnežni plug se prilagođava terenu).
Ventili sa vretenima za jednoradni cilindar, su namijenjeni za jednoradni cilindar.
Struktura:
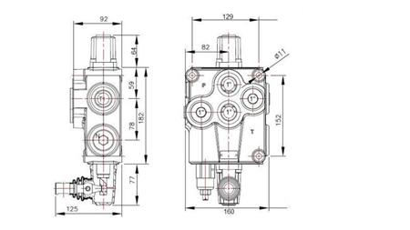
Р120 je monoblok distribucijski ventil. Izrađen je iz litoga željeza EN-GJL300. Vretena so irađena iz ugljikovog čelika te su tvrdo kromirana.
Priključki:
Vreteno je privijeno sa dvoje vijkama M8.







