Novi proizvodi
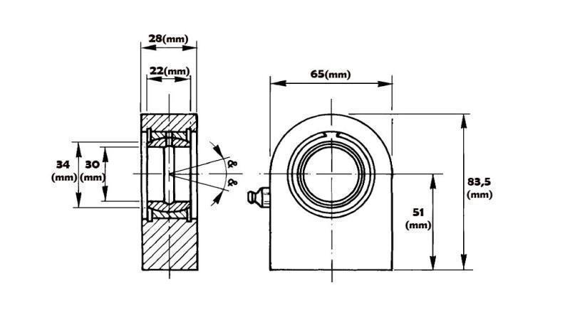
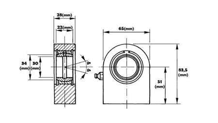
PRIVARIVI OKASTI LEŽAJ - ZGLOB RAVAN FI 30/65
Šifra:
10697
OEM:
9990000006182
Stopa poreza
22 %
Cijena bez PDV:
11,48 EUR
Cijena sa PDV:
14,00 EUR
Ref:
78
Okasti GE sferični ležaji
– okasti privarivi priključki su namijenjei za zavarivanje na hidraulične cilindre, štapove, nosače i druge slične djelove, kod kojih je potrebno kretanje. Kod samog izvršenja su predviđeni za veče opterečenje ili nosivost. Zbog samog izvršenja ne traže posebnog održavanja i tako je njihova životna doba dosta duga.
Dobavljač:
Italija
Maksimalno dinamično opterečenje:
6,20 tona
Standard:
DIN 648, Serie E, tip C
Vračanje ili mjenjanje:
14 dana
Garancija:
6 mjeseci







