Novi proizvodi
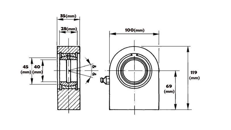
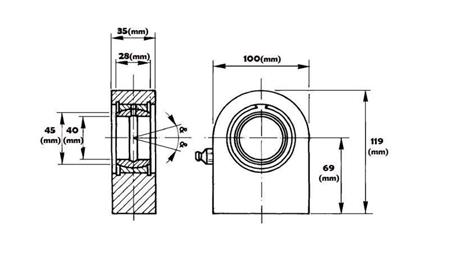
PRIVARIVI OKASTI LEŽAJ - ZGLOB RAVAN FI 40/100
Šifra:
11523
OEM:
9990000020607
Stopa poreza
22 %
Cijena bez PDV:
24,59 EUR
Cijena sa PDV:
30,00 EUR
Ref:
22
Okasti GE sferični ležaji
– okasti privarivi priključki su namijenjei za zavarivanje na hidraulične cilindre, štapove, nosače i druge slične djelove, kod kojih je potrebno kretanje. Kod samog izvršenja su predviđeni za veče opterečenje ili nosivost. Zbog samog izvršenja ne traže posebnog održavanja i tako je njihova životna doba dosta duga.
Dobavljač:
Italija
Maksimalno dinamično opterečenje:
10 tona
Standard:
DIN 648, Serie E, tip C
Vračanje ili mjenjanje:
14 dana
Garancija:
6 mjeseci







