Novi artikli
MULTIPLIKATOR GR.3 -1:3 MOŠKI VHOD - MOŠKI IZHOD

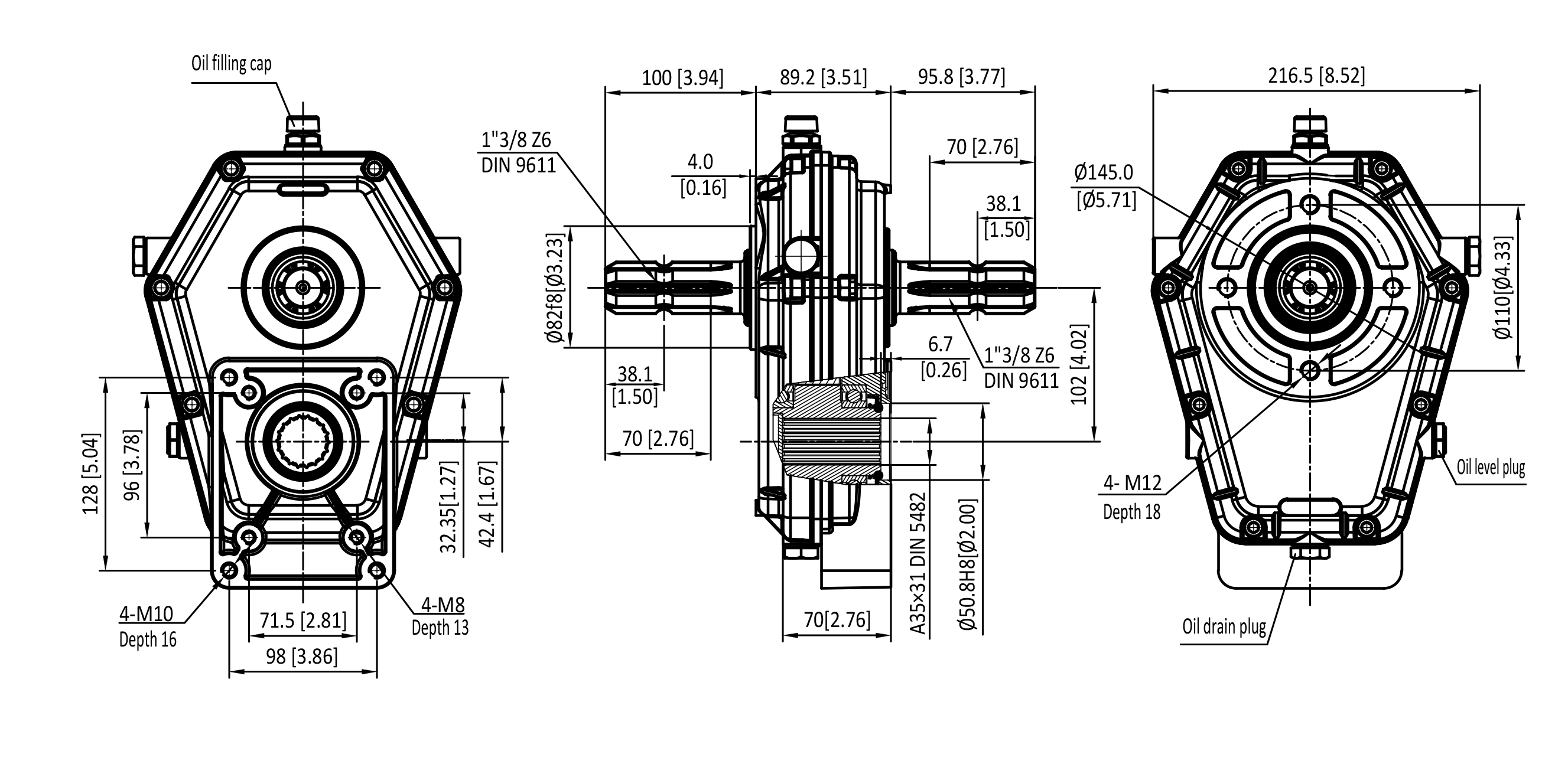
DIMENZIJE

NAVODILA ZA UPORABO
1. Namen uporabe
Multiplikator je mehanski prenos, ki poveča vrtljaje izhodne gredi oziroma osovine in omogoča pogon hidravlične zobniške črpalke preko kardana traktorja (P.T.O.) .
Uporablja se za pogon:
- hidravličnih agregatov,
- gozdarskih vitlov,
- cepilcev za drva,
- drugih hidravličnih naprav.
2. Položaj montaže
Multiplikator mora biti nameščen v pravilnem delovnem položaju, da je zagotovljeno pravilno mazanje zobnikov. Priporoča se horizontalni položaj (črpalka in multiplikator horizontalno poravnana).
Pomembno:
- multiplikator mora biti vedno nameščen tako, da je olje v ohišju v stiku z zobniškim prenosom,
- dolgotrajno delovanje v obrnjenem položaju ni dovoljeno,
- multiplikator mora biti mehansko podprt (ne sme viseti samo na kardanu).
3. Smer vrtenja
Pred montažo preverite smer vrtenja kardanske gredi in zahtevano smer vrtenja hidravlične črpalke.
Nepravilna smer vrtenja lahko povzroči poškodbo črpalke, okvaro tesnil in slab pretok olja.
4. Mazanje z oljem
Multiplikator mora biti stalno mazan z oljem v ohišju, ki zagotavlja ustrezno delovanje zobnikov. Priporočeno olje je reduktorsko olje SAE 90.
Multiplikator mora biti napolnjen z oljem do kontrolnega nivoja.
Pred prvo uporabo odvijte polnilni čep, nalijte olje do kontrolnega nivoja in zaprite čep.
Pred vsako uporabo je potrebno preveriti nivo olja, prvo menjavo pa priporočamo po 50 delovnih urah, nato na vsakih 1500 delovnih ur oziroma 1x letno.
5. Temperatura delovanja
Normalna temperatura ohišja multiplikatorja med delom znaša med 50 in 80°C. V kolikor le-ta preseže 90°C, preverite nivo olja, obremenitev in poravnavo.
6. Vzdrževanje in možne težave
| Težava | Možen vzrok | Rešitev |
| Pregrevanje | Premalo olja | Preverite nivo olja |
| Hrup | Obrabljeni ležaji | Servis |
| Vibracije | Napačna poravnava | Preverite montažo |
| Puščanje olja | Poškodovano tesnilo | Menjava tesnila |









