Uudet tuotteet
SUHTEELLINEN OHJAUSVENTTIILI TRAKTORIN ETUKUORMAAJAAN - OPEN CENTER LVM92 EHP
| Tekniset tiedot | |
|
Toimittaja: |
Turkki |
|
Palautus tai vaihto: |
14 päivää |
|
Takuu: |
6 kuukautta |
|
Tyyppi: |
AVOIN KESKUS |
|
Käyttöpaine: |
250 bar |
|
Nimellisvirtaus: |
90 litraa/min |
|
Liitäntäkierre: |
1/2" |
|
Osioiden lukumäärä: |
2 |
Kuvaus
LVM92-EHP on monoblokkiventtiili, joka on suunniteltu traktorin etukuormaajiin, tarjoten erinomaiset sähköisesti suhteelliset käyttökohteet ja helpon asennuksen. Sen virtausnopeus on jopa 90 l/min ja käyttöpaine enintään 250 bar.
Venttiili tarjoaa täysin sähköisesti suhteellisen ohjauksen, mukaan lukien kellutustoiminnon, riippumatta kuormasta ja käyttöolosuhteista.
Sarjaan kuuluu venttiili, suhteellinen ohjaussauva ja sähköjohdotus.
Käyttötarkoitus

Järjestelmän moitteettoman toiminnan varmistamiseksi noudata huolellisesti kaikkia alla olevia vaiheita:
- Tee liitännät yllä kuvatulla tavalla.
- Varmista, että hydraulinen akku on kytketty oikein.
- Tarkista, ettei tulopaine ylitä 250 baria.
- Varmista, että nimellisvirtaus on 90 l/min.
- Tarkista, että liitännät paikoissa B1, A1, A2 ja B2 on kytketty oikein.
- Varmista, että tyhjennys- (vuotovesi) linja on kytketty oikein.
- Tarkista, että T (säiliö) ja P (paine) linjat ovat oikein kytkettyjä ja toimivia.

- Jos hydraulilinjassa on kaksi venttiiliä, kytke ensimmäisen venttiilin ulostulo (carry-over) toisen venttiilin paineen tuloon.
- Jos käytössä on vain yksi venttiili, kytke venttiilin carry-over-ulostulo suoraan säiliöön.


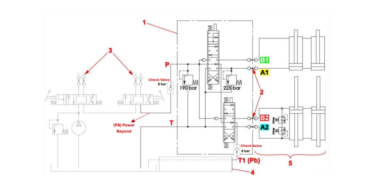
Kuvassa näkyy AVOIN KESKUS hydraulijärjestelmä:
1. Suhteellinen venttiili (LVM92 EHP) kiinnityspinnan oikealla puolella.
2. Liitännät traktorin etukuormaajaan.
3. Traktoriin jo asennetut hydrauliventtiilit voidaan käyttää muille kuluttajille.
4. Muut venttiilit tai apuventtiilit.
5. Traktorin etukuormaaja.
Kolme hydraulilinjaa (P, T1, T) yhdistävät AVOIN KESKUS suhteellisen venttiilin traktorin hydraulijärjestelmään:
- P – paineputki
- T – paluuputki (säiliö)
- T1 – paineen välitys (Power Beyond – "PB") + 8 barin jousikuormitteinen takaiskuventtiili

Kytke venttiili kuten yllä on kuvattu:
- Varmista, että järjestelmän jännite on 12 V.
- Tarkista, että virtakaapeli on liitetty oikein.
- Järjestelmässä tulee olla ketjukaapeli ja 120 ohmin vastus.
- Kytkettyäsi ohjaussauvan varmista, että ACAS-merkkivalot syttyvät vihreinä.
- Tarkista, että kaikki kaapelit ovat tukevasti ja oikein kytkettyjä.

- SININEN painike: 6/2 suuntaventtiili (hetkellinen painike)
- PUNAINEN painike: kellutustoiminto (kytkeytyvä painike)
- VIHREÄ painike: hidas/nopea (kytkeytyvä painike)
Kellutustoiminto: Liikuta ohjaussauvaa B1 (laskeva) suuntaan. Kun ohjaussauva on B1-asennossa, paina kellutus (FLOAT) painiketta aktivoidaksesi kellutustilan. Varoitus: Älä suorita tätä toimenpidettä, kun kuormain on nostettu liian korkealle.









