Novi proizvodi
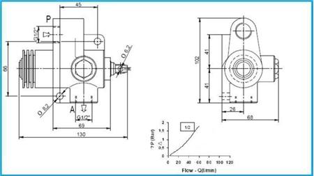
ZAVRŠNI KIPER VENTIL TFC-TS-1/2 - NORMALNO ZATVOREN
Šifra:
11826
OEM:
9990000035953
Stopa poreza
22 %
Cijena bez PDV:
69,67 EUR
Cijena sa PDV:
85,00 EUR
Ref:
5
Dobavljač:
Italija
Vračanje ili mjenjanje:
14 dana
Težina proizvoda:
1.8 kg
Garancija:
6 mjeseci
Max. protok:
80 lit/min
Max. pritisak:
350 bar
Funkcioniranje:
u neutralnom položaju ventil ne propušta ulja







