Novi proizvodi
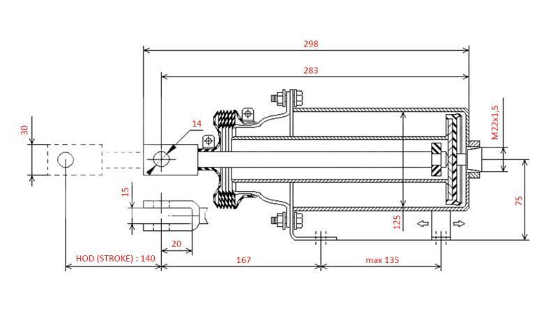
ZRAČNI KOČIONI CILINDAR - MEMBRANA 125 mm
Šifra:
13342
OEM:
9990000093922
Stopa poreza
22 %
Cijena bez PDV:
52,46 EUR
Cijena sa PDV:
64,00 EUR
Ref:
28
Opis:
Univerzalni cilindar kočnice s klipom dizajniran za pneumatsko kočenje. Koristi se u poljoprivrednim, hortikulturnim, šumarskim i građevinskim prikolicama, kamionima, rasipačima, spremnicima za mulj, prskalica i drugoj opremi koja ima pneumatski kočioni sustav.
Kompatibilno s prikolicama:
Tehnostroj, DAF, Krone, Scania, RVI, MB, MAN, Autosan Sanok: D-35, D-47, D-50 D-732, HL 8011, HL 6011.
Dobavljač:
Poljska
Vračanje ili mjenjanje:
14 dana
Dimenzije razmaka rupa za montažu:
135 mm / fi 13 mm
Težina proizvoda:
3.60 kg
Garancija:
6 mjeseci
Navoj:
M22x1.5
Promjer:
125 mm
Hod cilindra:
140 mm







