Nuevos Productos
VÁLVULA DE DISTRIBUCIÓN HIDRÁULICA FLUJO V1026 DFL 40-60 LIT - 3/8 - 250 BAR (MAX.300 BAR) METAL
Código de producto:
13691
OEM:
9990000102259
Tasa de impuesto
22 %
Precio sin IVA:
90,16 EUR
Precio con IVA:
110,00 EUR
Ref:
11
Descripción:
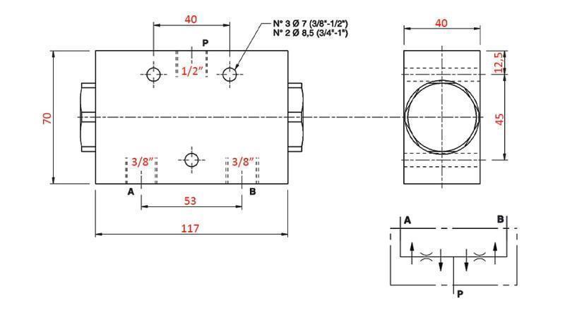
La válvula de distribución hidráulica de flujo se utiliza cuando dos actuadores idénticos (que no están conectados mecánicamente y son alimentados por la misma bomba y controlados por una válvula) necesitan moverse simultáneamente (extensión, ensanchamiento, desenrollado, compresión, elevación ...).
Conectar P a presión, A y B a los actuadores.
Proveedor:
Italia
presión de trabajo máxima:
250 bar
Devolución o cambio:
14 días
peso del producto:
1.95 kg
Garantía:
6 meses
Rosca:
P = 1/2" A,B = 3/8"
flujo de válvula:
40 - 60 litros
max. presión:
300 bar



%20KOVINSKI.jpg)
%20KOVINSKI.jpg)
%20KOVINSKI.jpg)


