Nuevos Productos
VÁLVULA DE PRIORIDAD 3/8 CON ESCALA Y VÁLVULA DE SEGURIDAD 0-30LIT, 0-200BAR
Código de producto:
13097
OEM:
9990000087495
Tasa de impuesto
22 %
Precio sin IVA:
102,46 EUR
Precio con IVA:
125,00 EUR
Ref:
2
Descripción:
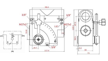
La válvula de prioridad con escala y válvula de seguridad se utiliza para la regulación del flujo con compensación de presión, donde el flujo cambia según la posición de la palanca. La válvula se monta en una superficie plana.
Conexión CF (Flujo controlado) - El flujo que proviene de la conexión CF está compensado por presión y es proporcional a la posición de la palanca. El flujo de CF se puede ajustar según se desee.
Conexión EX (Flujo excesivo) - El flujo que proviene de la conexión EX está compensado. Si la palanca está configurada en 0, todo el flujo saldrá a través de la conexión EX. La conexión EX debe ser dirigida al tanque.
Proveedor:
España
Devolución o cambio:
14 días
peso del producto:
3.80 kg
Garantía:
6 meses
presión ajustable máxima:
0-200 bar
flujo máximo ajustable:
0 - 30 l/min
Máx. flujo:
30 l/min
max. presión:
200 bar









