Nuevos Productos
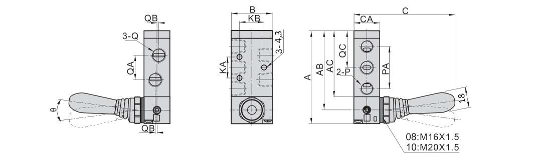
VÁLVULA MANUAL NEUMÁTICA 5/2 1/4 PRT-0852-ARR RETORNO MANUAL

|
| A | AB | AC | B | C | CA | KA | KB | P | PA | Q | QA | QB | QC | Θ |
|
| |||||||||||||||
| 5/2 1/4' ARR | 81,5 | 69,5 | 57,5 | 35 | 90 | 22 | 20 | 23,5 | G 1/8 | 36 | G 1/4 | 21 | 1,5 | 32,5 | 15 |
| 5/2 1/4' ARV | |||||||||||||||
| 5/2 3/8' ARR | 101 | 87 | 73 | 40 | 93,5 | 27 | 24 | 27,5 | G 1/4 | 45 | G 3/8 | 24 | 2 | 40,5 | 18 |
| 5/2 3/8' ARV |
CONECCIONES ESQUEMÁTICAS 5/2 ARR

VÁLVULAS NEUMÁTICAS
Las válvulas neumáticas controlan el flujo de aire en el sistema. Al abrir, cerrar o obstruir parcialmente, gestionan el flujo, la presión y la dirección del aire para activar procesos mecánicos. Las válvulas neumáticas se utilizan comúnmente en automatización, fabricación, la industria automotriz y muchos otros sectores donde se utiliza aire comprimido como fuente de energía.
VÁLVULAS DE CONTROL
Válvula de 3/2 vías: tiene tres conexiones y dos posiciones, típicamente utilizada para cilindros de acción simple.
Válvulas de 5/2 vías: tienen cinco conexiones y dos posiciones, utilizadas para cilindros de doble efecto.
Válvula de 5/3 vías: tiene cinco conexiones y tres posiciones, ofreciendo opciones de control adicionales para cilindros de doble efecto.
FUNCIONES DE LAS VÁLVULAS NEUMÁTICAS
Regulación del flujo: controlan la cantidad de aire que pasa a través del sistema.
Control de dirección: controlan la dirección en la que el aire activa varios dispositivos en el sistema.
Regulación de presión: mantienen el nivel de presión deseado para asegurar la estabilidad y eficiencia del sistema.
APLICACIÓN DE LAS VÁLVULAS NEUMÁTICAS
Sistemas de automatización: utilizadas en brazos robóticos, cintas transportadoras y líneas de producción automatizadas para controlar el movimiento y los procesos.
Fabricación: esenciales para controlar herramientas neumáticas, máquinas y equipos.
Automotriz: utilizadas en sistemas de suspensión neumática, sistemas de frenos y control de motor.
Embalaje: controlan el movimiento y funcionamiento de las máquinas de embalaje.
Las válvulas neumáticas son cruciales para el control preciso del flujo de aire y la presión en diversas aplicaciones industriales para asegurar un funcionamiento óptimo y eficiencia.







