Nové položky
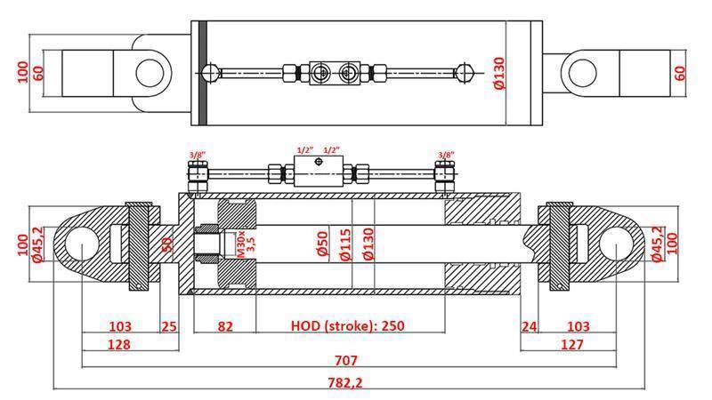
HYDRAULICKÝ TRETÍ BOD SPECIAL - CAT. 4 - 115/50-250 (180-380 HP) (45,2 mm)
| Technické údaje | |
| Dodávateľ: | Taliansko |
| Záruka: | 2 roky |
| Vrátenie alebo výmena: | 14 dní |
| Hmotnosť produktu: | 38 kg |
| Rozmery valca: | 115/50 mm |
| Dĺžka (min. → max.): | 707 → 957 mm |
| Zdvih: | 250 mm |
| Maximálny tlak: | 250 bar |
| Blokovací ventil: | Áno |
| Maximálna rýchlosť: | 0,5 m/s |
| Sila vysúvania valca (pri 180 bar): | 18,69 ton |
| Sila zasúvania valca (pri 180 bar): | 15,15 ton |
| Ochrana: | Zinok |
| Pripojenie: | 3/8'' |
| Pre traktor: | 180 - 380 HP |
| Priemer otvoru: | 45,2 mm |

| CAT. 4 (45,2/32,4 mm) | |||||||||
| A | B | C | M | L | E | F | D | G | |
| 115/50-250 | 115 | 130 | 50 | 100 | 45,2 | 707 → 957 | 128 | 250 | 3/8'' |
| 115/50-250 | 115 | 130 | 50 | 100 | 32,4 | 750 → 1000 | 128 | 250 | 3/8'' |
Hydraulický tretí bod
je v podstate štandardný dvojčinný hydraulický valec so zvarenými koncami, určený na montáž medzi traktor a traktorový prívesok. Je to určite vylepšenie traktora, ak ešte nie je nainštalovaný. Naše hydraulické tretie body sú pozinkované pre čo najlepšiu ochranu proti korózii. Všetky hydraulické tretie body sú vybavené blokovacím ventilom. V prípade poškodenia hydraulickej hadice zostane valec tretieho bodu v rovnakej polohe spolu s príveskom. Blokovací ventil zároveň zabezpečí, že hadice nie sú pod tlakom napriek vibráciám počas jazdy, čo zabraňuje zbytočnému zaťaženiu hydraulického ventilu traktora.
Najbežnejšie typy hydraulických tretích bodov:
- HYDRAULICKÝ TRETÍ BOD STANDARD
(so zvarenými okami na oboch stranách)

- HYDRAULICKÝ TRETÍ BOD AUTOMATICKÝ
(na piestnici je rýchloupínací hák pre guľu na pripojenie prívesku traktora)

- HYDRAULICKÝ TRETÍ BOD SPECIAL
(hydraulický tretí bod s hákom, ale namiesto oka na valci je použitý špeciálny zvarený hák, ktorý umožňuje väčší bočný pohyb tretieho bodu)

- HYDRAULICKÝ SKRUTKA TRETÍ BOD AUTOMATICKÝ
(dĺžka tretieho bodu sa môže predĺžiť o dĺžku závitu)

Použitie hydraulických tretích bodov:
Hydraulické tretie body sú čoraz nevyhnutnejšie na každom traktore, najmä pri pluhovaní, kde je presné nastavenie pluhu rozhodujúce. Sú tiež veľmi užitočné pri vyrovnávačoch pôdy, traktorových vidliciach (na nastavenie sklonu) a dokonca aj pri vyklápacích plošinách.

Ako si vybrať správny hydraulický tretí bod pre váš traktor?
Krok 1: Koľko konských síl má váš traktor?
Kategória 1: pre traktory od 20 do 55 HP (15 – 40 kW)
Kategória 2: pre traktory od 45 do 95 HP (35 – 70 kW)
Kategória 3: pre traktory od 80 do 210 HP (60 – 155 kW)
Kategória 4: pre traktory od 180 do 380 HP (135 – 285 kW)
Je tiež vhodné zvážiť, na aký nástroj sa bude tretí bod používať, pretože napríklad pri traktore so 100 HP nie je potrebný tretí bod kategórie 3, ak sa bude používať len pre vyklápaciu plošinu s maximálnou nosnosťou 1500 kg.
Krok 2: Aké diery na čapy musí mať tretí bod?
Kategória 1: otvory 19,2 mm alebo 25,4 mm
Kategória 2: otvory 25,4 mm
Kategória 3: otvory 25,4 mm alebo 32,4 mm
Kategória 4: otvory 45,2 mm alebo 32,4 mm
Je možné použiť redukciu, ktorá umožňuje použiť jeden tretí bod na viacerých traktoroch alebo príveskoch. Pri hydraulických tretích bodoch automatických alebo special sú otvory definované guľou, ktorá je upnutá do rýchloupínacieho háku tretieho bodu.
Krok 3: Vhodná dĺžka alebo zdvih tretieho bodu.
Neexistuje žiadne prísne pravidlo ani presná norma, koľko zdvihu by mal mať hydraulický tretí bod pre určitý typ traktora. Závisí to hlavne od typu traktora a príslušenstva, pre ktoré je určený. Zvyčajne sa používa s viacerými nástrojmi, ktoré vlastníte, takže musíte určiť dĺžku vhodnú pre väčšinu z nich. Najjednoduchší spôsob je zmerať závitový tretí bod, ktorý je už namontovaný na vašom traktore. Na základe skrátenej dĺžky závitového tretieho bodu (meranej od stredu po stred dier) si môžete vybrať najbližší hydraulický tretí bod a pozrieť sa na jeho maximálnu predĺženú dĺžku a zdvih.
Štandardné zdvihy hydraulických tretích bodov sú:
- 160 mm
- 210 mm
- 280 mm
- 340 mm
- 400 mm
Celková dĺžka tretích bodov s rovnakým zdvihom závisí od typu.
Krok 4: Výber typu hydraulického tretieho bodu.
- Hydraulický tretí bod Standard
(používaný pri bežných traktoroch)
- Hydraulický tretí bod Automatický
(používaný, ak je traktor vybavený rýchloupínacími hákmi na spodných ramenách)
- Hydraulický tretí bod Special
(pre väčší bočný pohyb)
- Hydraulický skrutka tretí bod Automatický
(dĺžka tretieho bodu sa môže predĺžiť o dĺžku závitu)
Hydraulické tretie body sú vhodné pre traktory:
Zetor, Fendt, Deutz-Fahr, Massey Ferguson, Fiat, John Deere, Case, Renault, IMT, Ursus, Steyr, Hürlimann, Lamborghini, Same, Landini, Valtra, Claas, New Holland, Caterpillar, Bobcat, Volvo, Carraro, Yanmar, Štore, Lindner, Solis.







