Nové položky
PREVODOVKA K HYDRAULICKÉMU ČERPADLU GR.3 - 1:3,8 - SAMICA (S ČAPOM)
| Technické informácie | |
| Dodávateľ: | Čína |
| Vrátenie alebo výmena: | 14 dní |
| Záruka: | 6 mesiacov |
| Prevody: | 1:3,8 |
| Pre hydraulické čerpadlá: | GR. 3 |
| Pripojenie: | Hriadeľ PTO – 1" 3/8 – 6 drážok (samica) |
| Vstupná rýchlosť otáčania: | 540 ot/min |
| Vstupný krútiaci moment: | 43,7 daNm |
| Výstupná rýchlosť otáčania: | 2052 ot/min (max. 3000 ot/min) |
| Výstupný krútiaci moment: | 11,5 daNm |
| Zaťaženie: | do 20 kW |
| Hmotnosť výrobku: | 8,3 kg |
| Mazivo pre prevodovku: | Olej SAE 90 |
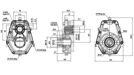
ROZMERY

NÁVOD NA POUŽITIE
1. Účel použitia
Prevodovka je mechanický prenos, ktorý zvyšuje rýchlosť otáčania výstupného hriadeľa a umožňuje prevádzku hydraulického ozubeného čerpadla cez PTO hriadeľ traktora.
Používa sa na pohon:
- hydraulických zdrojov energie,
- lesníckych navijakov,
- štiepačov dreva,
- iných hydraulických zariadení.
2. Inštalačná poloha
Prevodovka musí byť namontovaná v správnej pracovnej polohe, aby bola zabezpečená správna lubrikácia prevodov. Odporúča sa horizontálna inštalácia, takže čerpadlo a prevodovka by mali byť zarovnané horizontálne.
Dôležité:
- prevodovka musí byť vždy inštalovaná tak, aby olej vo vnútri skrine bol v kontakte s ozubeným prevodom,
- dlhodobá prevádzka v obrátenej polohe nie je povolená,
- prevodovka musí byť mechanicky podopretá (nemôže visieť iba na PTO hriadeli).
3. Smer otáčania
Pred inštaláciou skontrolujte smer otáčania PTO hriadeľa a požadovaný smer otáčania hydraulického čerpadla.
Nesprávny smer otáčania môže spôsobiť poškodenie čerpadla, poruchu tesnenia a slabý prietok oleja.
4. Olejová lubrikácia
Prevodovka musí byť vo vnútri skrine neustále mazaná olejom, aby bol zabezpečený správny chod prevodov. Odporúčaným mazivom je prevodový olej SAE 90.
Prevodovka musí byť naplnená olejom do kontrolnej úrovne.
Pred prvým použitím odstráňte plniaci zátku, naplňte prevodovku olejom po značku úrovne a zátku uzavrite.
Pred každým použitím skontrolujte hladinu oleja. Prvú výmenu oleja sa odporúča po 50 prevádzkových hodinách a následne každých 1500 prevádzkových hodín alebo raz ročne.
5. Prevádzková teplota
Normálna prevádzková teplota skrine prevodovky je medzi 50 a 80°C. Ak presiahne 90°C, skontrolujte hladinu oleja, zaťaženie a zarovnanie.
6. Údržba a možné problémy
| Problém | Možná príčina | Riešenie |
| Prehrievanie | Nedostatočná hladina oleja | Skontrolujte hladinu oleja |
| Hluk | Opotrebované ložiská | Servis |
| Vibrácie | Nesprávne zarovnanie | Skontrolujte inštaláciu |
| Únik oleja | Poškodené tesnenie | Vymeniť tesnenie |









